Section 8

Schematics

8.1Schematics

Figure 8.1  Schematic Legend

Schematic_legend

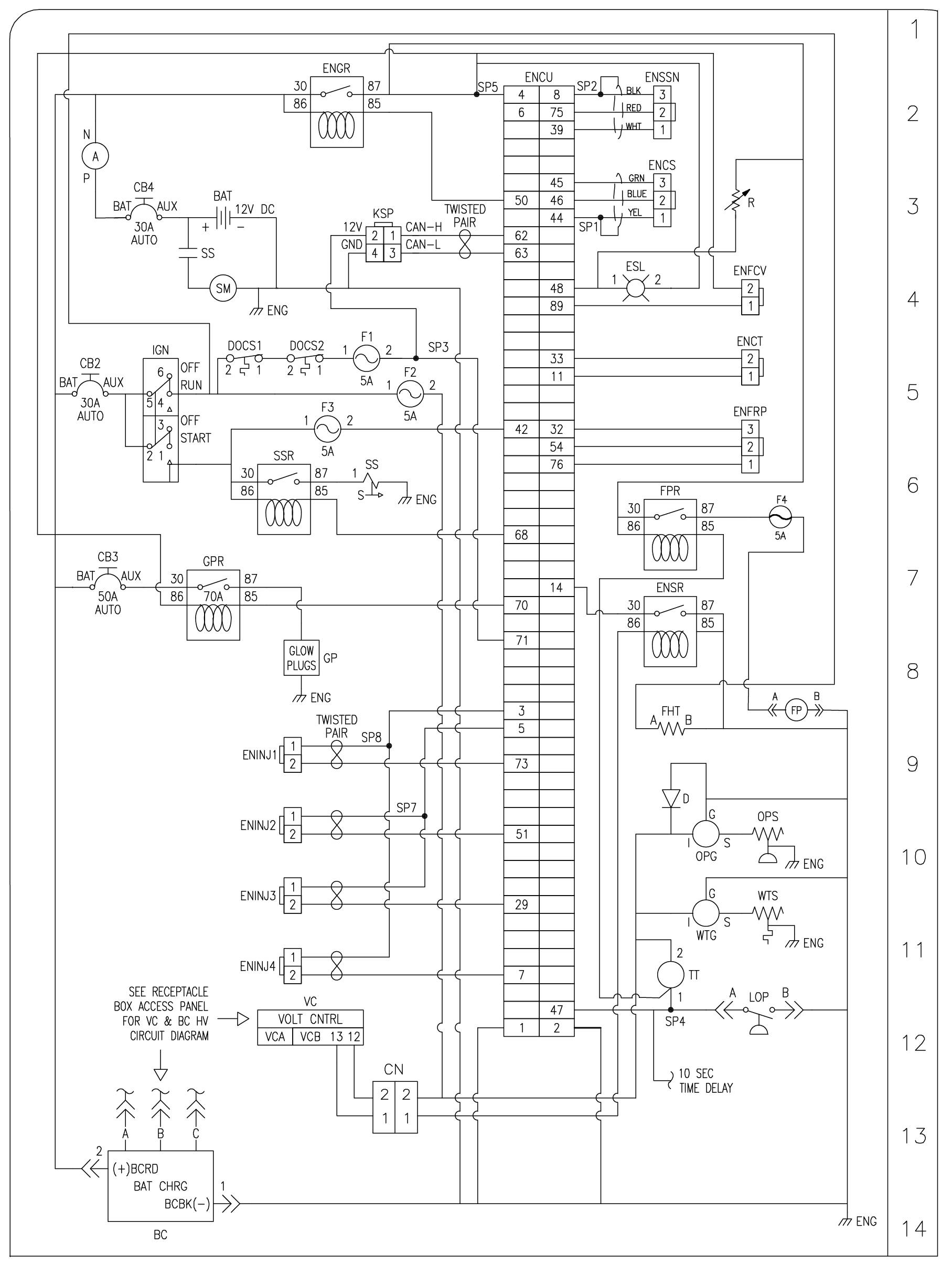
Figure 8.2  Schematic 12VDC Control Circuit

Schematic_12vdc

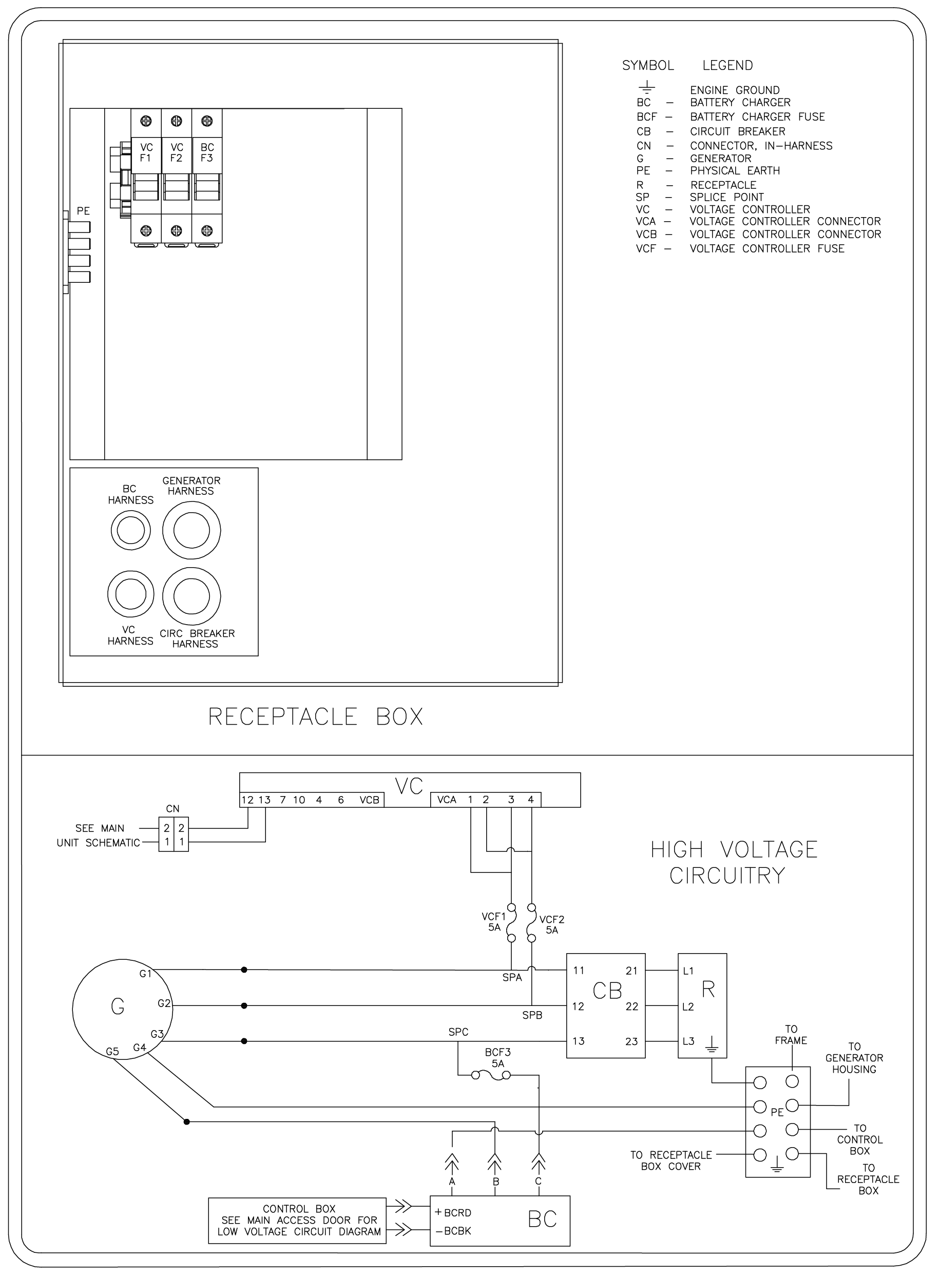
Figure 8.3  Schematic High Voltage Circuitry

Figure 8.4  Schematic High Voltage Circuitry (PID UG2403 only)

Schematic_high-volt_UG2403