Section 3

DESCRIPTION

3.1General Description

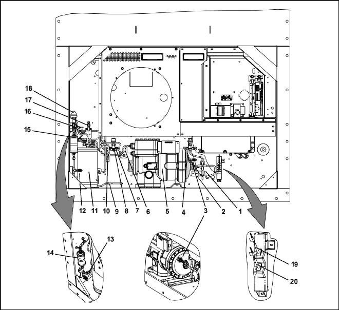
3.1.1Refrigeration Unit - Front Section

The refrigeration unit is designed so that the majority of components are accessible from the front (see Figure 3.1)

3.1.2Fresh Air Makeup Vent

The function of the upper fresh air makeup vent is to provide ventilation for commodities that require fresh air circu­lation. The venting system / vent position sensor (VPS) is located in the upper left access panel.

Figure 3.1  Refrigeration Unit - Front Section

fig3_uv.jpg 

1.Access Panel (Evap. Fan #1)

2.Fork Lift Pockets

3.Control Box

4.Interrogator Connector (Front right)

5.Variable Frequency Drive (VFD)

6.Unit Serial Number, Model Number and Parts Identification Number (PID) Plate

7.Power Cables & Plug (Location)

8.Ambient Temperature Sensor (AMBS)

9.Unloader Solenoid Valve (USV)

10.Compressor

11.Flash Tank

12.Filter Drier

13.Gas Cooler Fan

14.TIR (Transports Internationaux Routiers) Sealing Provisions - Typical All Panels

15.Upper Fresh Air Makeup Vent panel

16.Access Panel (Evap. Fan #2)

- - - - -

3.1.3Evaporator Section

The two evaporator fans circulate air through the container by pulling air in from the top of the unit, directing the air through the evaporator coil where it is cooled or heated, and then discharging the conditioned air at the bottom of the unit.

Most evaporator components are accessible by removing the upper rear panel (as shown in Figure 3.2) or by removing the evaporator fan access panels (see Figure 3.1).

Figure 3.2  Evaporator Section

fig4_uv.jpg 

1.Evaporator Fan Motor #1 (EM1)

2.Evaporator Fan Motor #2 (EM2)

3.Return Recorder Sensor (RRS)
Return Temperature Sensor (RTS)

4.Humidity Sensor (HS)

5.Evaporator Coil

6.Evaporator Coil Heaters (Underside of Coil)

7.Heater Termination Thermostat (HTT)

8.Defrost Temperature Sensor (DTS)

9.Evaporator Temperature Sensor (ETS)

10.Interrogator Connector (Rear) (ICR)

11.USDA Probe Receptacle PR2

12.USDA Probe Receptacle PR1

13.USDA Probe Receptacle PR3

14.Cargo Probe Receptacle PR4

15.Electronic Expansion Valve (EEV)

- - - - -

3.1.4Compressor Section

Figure 3.3  Compressor Section (1 of 2)

fig5_uv.jpg 

1.Ambient Temperature Sensor (AMBS)

2.Unloader Solenoid Valve (USV)

3.Service Fitting, Suction

4.Low Side Pressure Relief Valve (PRV)

5.Compressor

6.Compressor Discharge Temperature Sensor (CPDS)

7.High Side Pressure Relief Valve (PRV)

8.High Pressure Switch (HPS)

9.Plug

10.Gas Cooler Temperature Sensor (GCTS)

11. Flash Tank

12.Service Fitting, Discharge

13.Discharge Pressure Transducer (DPT)

14.Filter Drier

15.Flash Tank Pressure Relief Valve (PRV)

16.Economizer Solenoid Valve (ESV)

17.Flash Tank Pressure Transducer (FPT)

18.High Pressure Expansion Valve (HPXV)

19.Supply Recorder Sensor (SRS)

20.Supply Temperature Sensor (STS)

- - - - -

Figure 3.4  Compressor Section (2 of 2)

fig6_uv.jpg 

1.Variable Frequency Drive (VFD)

2.Compressor Terminal Box

3.Compressor Moisture Indicator/Sight Glass (Service Only)

4.Oil Drain Port

5.Oil Pump

6.First Stage Discharge Port / Flange

7.Second Stage Suction Port / Flange

8.Second Stage Discharge Port / Flange

9.Low Side Pressure Relief Valve (PRV)

10.Cylinder Head

11.Suction Pressure Transducer (SPT)

12.Suction Port / Flange

13.Compressor Motor End Cover

14.Service Fitting, Suction

15.Compressor Mounting Plate

16.Compressor Mounting Bolts (6)

17.Compressor Serial/Model No. Plate

- - - - -

3.1.5Gas Cooler / Intercooler

The gas cooler / intercooler coil acts as a heat exchanger in which compressed refrigerant gas from the compres­sor is lowered in temperature as it circulates through the coil tubes. The gas cooler / intercooler fan pulls external, ambient air through all four sides of the coil, heat transfer from the refrigerant is transferred to the air, and then the warm air is discharged horizontally through the front of the fan grille.

Figure 3.5  Gas Cooler / Intercooler

fig7_uv.jpg 

1.Gas Cooler Fan

2.Gas Cooler Fan Motor

3.Gas Cooler Coil

4.Gas Cooler Coil Cover

5.Gas Cooler Inlet

6.Gas Cooler Outlet

7.Intercooler Inlet

8.Intercooler Outlet

- - - - -

3.1.6Flash Tank Section

Figure 3.6  Flash Tank Section

fig8_uv.jpg 

1.Flash Tank

2.Service Fitting, Discharge

3.Plug

4.Discharge Pressure Transducer (DPT)

5.Flash Tank Pressure Relief Valve (FTPRV)

6.Filter Drier

7.Check Valve

8.High Pressure Expansion Valve (HPXV)

9.Economizer Solenoid Valve (ESV)

10.Flash Tank Pressure Transducer (FPT)

- - - - -

3.1.7Control Box Section

Figure 3.7  Control Box Section

fig9_uv.jpg 

1.Compressor Contactor - CH

2.Phase A Contactor - PA

3.Phase B Contactor - PB

4.Heater Contactor - HR

5.Display Module

6.Communications Interface Module

7.Controller/DataCORDER Module (Controller)

8.Variable Frequency Interface Module (VIM)

9.Keypad

10.Start - Stop Switch, ST

11.Controller Battery Pack (Standard Location)

12.Interrogator Connector (Box Location)

13.Control Transformer

14.High Speed Evap. Fan Contactor - EF

15.Low Speed Evap. Fan Contactor - ES

16.High Speed Gas Cooler Fan Contactor - GF

17.Low Speed Gas Cooler Fan Contactor - GS

18.Circuit Breaker - 25 Amps

19.Current Sensor Module

20.Ferrite Core

- - - - -

3.1.8Communications Interface Module

The optional communications interface module (Figure 3.7 #6) is a slave module that allows communication with a master central monitoring station. The module will respond to communication and return information over the main power line. Refer to the master central monitoring station technical manual for additional information.

3.1.9Water-Cooled Condenser Section

The water-cooled condenser section (Figure 3.8) consists of a water-cooled condenser, water couplings, and a water pressure switch.

Figure 3.8  Water-Cooled Condenser

Fig_wcc.png 

1.Water-Cooled Condenser

2.Coupling (Water In)

3.Self Draining Coupling (Water Out)

4.Water Pressure Switch (WP)

- - - - -

3.2Refrigeration System Data

Compressor / Motor Assembly

Model Number

79-04023-00

Weight (With Oil)

159 kg (350 lb)

Approved Oil

Carrier P/N 46-00025-06

Oil Charge

2000 ml (67 ounces)

 

Oil Sight Glass (Service Compressor Only)

The oil level range, while the unit operating, should be between 1/4 and 3/4 level of the sight glass.

Electronic Expansion Valve Superheat (Evaporator)

Variable

High Pressure Expansion Valve (HPXV)

Variable

Heater Termination Thermostat (HTT)

Opens

54°(+/- 3)C = 130°(+/- 5)F

Closes

38°(+/- 4)C = 100°(+/- 7)F

High Pressure Switch (HPS)

Cut-Out

138 (+7/-11) bar = 2000 (+100/-156) psig

Cut-In

99 (+/- 10) bar = 1430 (+/- 140) psig

Charge according to nameplate specifications to ensure optimal unit performance.

Refrigerant Charge - R-744

Unit Configuration

Charge Requirements

Purity to be 99.8 pure CO2

Refer to nameplate

Pressure Relief Valves Set Pressure

Opens, Low Side

89.6 bar = 1300 psig

Opens, Flash Tank

108.2 bar = 1569 psig

Opens, High Side

150.9 bar = 2189 psig

Unit Weight

Refer to unit model number plate.

Water Pressure Switch (WP)

Cut-In

0.5 + 0.2 kg/cm3 (7 + 3 psig)

Cut-Out

1.6 + 0.4 kg/cm3 (22 + 5 psig)

3.3Torque Requirements

 

Pressure Relief Valves

Low Side PRV

65-71 Ft. Lbs.

Flash Tank PRV

22-24 Ft. Lbs.

High Side PRV

38-42 Ft. Lbs.

Pressure Transducers

Suction Pressure Transducer, SPT

19-21 Ft. Lbs.

Flash Tank Pressure Transducer, FTPT

7-8 Ft. Lbs.

Discharge Pressure Transducer, DPT

7-8 Ft. Lbs.

Service Fittings

Suction Service Fitting

19-21 Ft. Lbs.

Discharge Service Fitting

7-8 Ft. Lbs.

Pressure Switch

High Pressure Switch

13-14 Ft. lbs.

Bolts

Compressor Flange Bolts

26-28 Ft. Lbs.

 

3.4Electrical System Data

Circuit Breaker

CB-1

25 amps

Compressor Motor

Full Load Amps (FLA)

13 amps @ 460 VAC

Gas Cooler Fan Motor

 

380 VAC, Three Phase,

50 Hz +/- 2.5% Hz

460 VAC, Three Phase,

60 Hz +/- 2.5% Hz

Full Load Amps, High Speed

1.10 amps

1.20 amps

Full Load Amps, Low Speed

0.68 amps

0.69 amps

Horsepower, High Speed

0.35 hp

0.60 hp

Horsepower, Low Speed

0.04 hp

0.06 hp

RPM, High Speed

1425 rpm

1725 rpm

RPM, Low Speed

720 rpm

850 rpm

Voltage and Frequency

360 - 460 VAC

400 - 506 VAC

Bearing Lubrication

Factory lubricated, additional grease not required.

Rotation

CCW when viewed from shaft end.

Evaporator Coil Heaters

Number of Heaters

6

Rating

750 watts +/- 5% each @ 230 VAC

Resistance (cold)

72 ohms +/- 5% @ 20°C (68°F)

Type

Sheath

Evaporator Fan Motors

 

380 VAC/3 PH/50 Hz

460 VAC/3 PH/60 Hz

Full Load Amps
High Speed

1.07

0.9

Full Load Amps
Low Speed

0.47

0.47

Nominal Horsepower
High Speed

0.36

0.63

Nominal Horsepower
Low Speed

0.05

0.08

Rotations Per Minute
High Speed

2850 rpm

3450 rpm

Rotations Per Minute
Low Speed

1425 rpm

1725 rpm

Voltage and Frequency

360 - 460 VAC +/- 2.5%

400 - 506 VAC +/- 2.5%

Bearing Lubrication

Factory lubricated, additional grease not required

Rotation

CW when viewed from shaft end

Fuses

Control Circuit

7.5 amps (F3A,F3B)

Controller / DataCORDER

5 amps (F1 & F2)

Vent Position Sensor (VPS)

Electrical Output

0.5 VDC to 4.5 VDC over 90 degree range

Supply Voltage

5 VDC +/- 10%

Supply Current

5 mA (typical)

Solenoid Valve Coils (ESV/USV) 24 VAC

Nominal Resistance @ 20 C°(68°F)

12.4 ohms +/- 5%

Maximum Current Draw

0.7 amps

EEV Nominal Resistance

Coil Feed to Coil Feed

100 ohms

Variable Frequency Drive (VFD)

460 Volts

Variable Frequency

Humidity Sensor

Orange wire

Power

Red wire

Output

Brown wire

Ground

Input voltage

5 VDC

Output voltage

0 to 3.3 VDC

Output voltage readings verses relative humidity (RH) percentage:

30%

0.99 V

50%

1.65 V

70%

2.31 V

90%

2.97 V

3.5Safety and Protective Devices

Unit components are protected from damage by safety and protective devices listed in Table 3–1. These devices monitor the unit operating conditions and open a set of electrical contacts when an unsafe condition occurs.

Open safety switch contacts on either or both of devices IP-CP or HPS will shut down the compressor.

Open safety switch contacts on device IP-CM will shut down the Gas Cooler fan motor.

The entire refrigeration unit will shut down if one of the following safety devices open: (a) circuit breaker(s); (b) fuse (F3A/F3B, 7.5A); or (c) evaporator fan motor internal protector(s) - (IP).

Table 3–1  Safety and Protective Devices

Unsafe Condition

Device

Device Setting

Excessive current draw

Circuit Breaker (CB-1) - Manual Re­set

Trips at 25 amps (460 VAC)

Excessive current draw in the control circuit

Fuse (F3A & F3B)

7.5 amp rating

Excessive current draw by the con­troller Fuse

Fuse (F1 & F2)

5 amp rating

Excessive Gas Cooler fan motor winding temperature

Internal Protector (IP-CM) - Auto­matic Reset

N/A

Excessive compressor motor wind­ing temperature

Internal Protector (IP-CP) - Automat­ic Reset

N/A

Excessive evaporator fan motor(s) winding temperature

Internal Protector(s) (IP-EM) - Auto­matic Reset

N/A

Abnormal pressures in the refriger­ant system

Low Side PRV

89.6 bar = 1300 psig

Flash Tank PRV

108.2 bar = 1569 psig

High Side PRV

150.9 bar = 2189 psig

Abnormally high discharge pressure

High Pressure Switch (HPS), Cut-Out

138 (+7/-11) bar
= 2000 (+100/-156) psig

High Pressure Switch (HPS), Cut-In

99 (+/- 10) bar
= 1430 (+/- 140) psig

3.6Refrigeration Circuit

The NaturaLINE unit operates as a vapor compression refrigeration system using R-744 (CO2) as the refrigerant. The main components of the system are a Reciprocating Compressor, Gas Cooler/Intercooler, High Pressure Elec­tronic Expansion Valve (HPXV), Flash Tank, Electronic Expansion Valve (EEV), Economized Solenoid Valve (ESV), Unloader Solenoid Valve (USV) and the Evaporator.

The refrigeration system operates in one of three modes; Standard, Unloaded, or Economized. At system start up, and during periods of low refrigeration load, the unit will operate in Unloaded Mode. This allows the microprocessor to place the system in operation at reduced capacity in order to measure the actual load. If the microprocessor determines that further capacity is required, such as periods of high load or pull down, the system will transition to Economized Mode. Standard Mode is used to maintain temperature during stable load conditions.

3.6.1Standard Mode

At the compressor, the CO2 refrigerant is drawn in at the suction port and compressed into a higher pressure, higher temperature gas. The compressed gas exits the first stage of the compressor, enters the intercooler, then returns back to the compressor at the second stage suction port, where the gas is compressed to a higher pressure and higher temperature. The compressed gas then exits the compressor at the discharge port and flows through the gas cooler. Discharge temperature of the refrigerant is continuously monitored by the compressor discharge temperature sensor (CPDS).

As refrigerant travels through the tubes in the gas cooler, ambient air flowing across the coil fins and tubes removes heat from the refrigerant gas. As heat from the refrigerant is transferred to the ambient air, the refrigerant gas cools and then passes through the filter drier. The filter drier ensures that the refrigerant is clean and dry.

The flow of refrigerant from the filter drier to the flash tank is regulated by the HPXV. The HPXV is controlled by the operating software for optimal performance and efficiency. As the microprocessor receives temperature and pres­sure data, the HPXV stepper motor will open or close in order to control and maintain maximum system efficiency. As refrigerant flows through the variable orifice of the HPXV, the reduced pressure causes the refrigerant to flash (flash gas) while entering the flash tank. In the flash tank, vapor and liquid are separated.

The liquid refrigerant from the flash tank continues through the liquid line to the EEV. The EEV is used to control the superheat of the refrigerant leaving the evaporator. As the microprocessor receives suction pressure and tem­perature data, the microprocessor transmits electronic pulses to the EEV stepper motor which opens or closes the variable valve orifice in order to control and maintain proper superheat. Superheat is controlled to ensure that liquid refrigerant never enters the compressor.

The liquid refrigerant flows through the evaporator, absorbing heat from the return air as the return air flows across the fins and tubes of the evaporator coil. As the liquid refrigerant in the evaporator coil absorbs heat, the refrigerant vaporizes, and the vapor flows through the suction port back to the compressor.

3.6.2First Stage Discharge Port & Suction Port

The higher pressure, higher temperature refrigerant that is discharged from the first stage discharge port flows directly to the intercooler section of the gas cooler/intercooler. As the refrigerant travels through the tubes in the intercooler, ambient air flowing across the coil fins and tubes removes heat, cooling but not condensing the gas. The refrigerant leaving the intercooler flows to three locations: the check valve (where it is stopped), the Unloader Solenoid Valve (USV) (which is normally closed in Standard and Economized Mode), and to the mid-stage suction port where refrigerant returns to the compressor.

3.6.3Unloaded Mode

During system start up and periods of low cooling load, the unit will operate in Unloaded Mode to conserve energy. In Unloaded Mode the normally closed USV opens. While in Unloaded Mode a portion of the refrigerant leaving the intercooler is redirected to the suction port, back to the compressor. The remaining portion of the refrigerant leaving the intercooler continues to the second stage suction port. To further reduce cooling, the Variable Frequency Drive (VFD) may reduce compressor speed.

3.6.4Economized Mode

In Economized Mode, the main refrigeration system operates the same as in Standard Mode, except the micropro­cessor energizes (opens) the Economizer Solenoid Valve (ESV). When the ESV is open, frozen and pull down capacity of the unit is increased by allowing refrigerant vapor to flow from the flash tank through the check valve, and to the mid-stage suction port where the refrigerant returns to the compressor. During Economized Mode the USV will remained closed.

3.6.5Electronic Expansion Valve (EEV)

The microprocessor controls the superheat of refrigerant leaving the evaporator by opening and closing the vari­able orifice in the EEV. The microprocessor transmits electronic pulses to the EEV stepper motor, which opens or closes the valve orifice to maintain superheat. EEV control is based on inputs from the suction pressure transducer (SPT) and the evaporator temperature sensor (ETS).

Figure 3.9  Refrigeration Circuit Schematic (Air-Cooled)

fig119_uv.jpg 

Figure 3.10  Refrigeration Circuit Schematic (Water-Cooled)

fig_water-cooled-schematic.jpg